Chemical and Biological Sensing

Scheme showing nanostructured sensors/biosensors for applications in medical diagnostics and environmental monitoring

Guojun Shang, Dong Dinh, Han-Wen Cheng, Lidia Gebre, Tony Yuan, Shan Yan, Jin Luo, Susan Lu, C. J. Zhong, Flexible, Fibrous, and Rigid Chemiresistive VOC Sensors with Nanoparticle-Structured Interfaces, Adv. Sensor Res., 2024, 3, 2300119. Read more...


Scheme and PCA plot showing breath sensor for detection of lung cancer

G. Shang, D. Dinh, T. Mercer, S. Yan, S. Wang, B. Malaei, J. Luo, S. Lu, C.J. Zhong, Chemiresistive Sensor Array with Nanostructured Interfaces for Detection of Human Breaths with Simulated Lung Cancer Breath VOCs, ACS Sensors, 2023, 8, 3, 1328-1338. Read more...


Scheme showing an integrated sensor system for breath detection

D. Dinh, G. Shang, S. Yan, J. Luo, A. Huang, L. Yang, S. Lu, C.J. Zhong, A Wireless Sensor Array System Coupled with AI-Driven Data Analysis Methodologies towards Remote Monitoring of Human Breaths, IEEE Sensors Journal, 2023, 14, 16042-16050. Read more...


Scheme showing nano-filamented fibrous sensor interfaces

Yan, S.; Dinh, D.; Shang, G.; Wang, S.; Zhao, W.; Liu, X.; Robinson, R.; Lombardi III, J.; He, N.; Lu, S.; Poliks, M.; Hsiao, B.; Gitsov, I.; Zhong, C. J., Nano-Filamented Textile Sensor Platform with High Structure Sensitivity, ACS Applied Materials Interfaces, 2022, 14, 15391-15400. Read more...


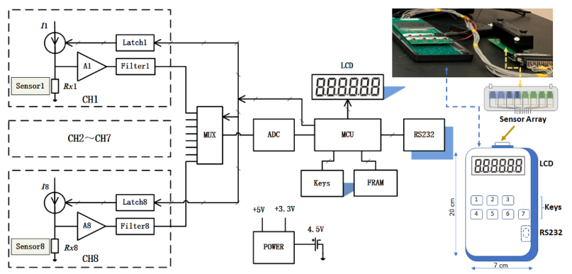
Photo and Scheme showing the electronics design for low-current and multi-channel for sensor arrays

Z. Wang, G. Shang, D. Dinh, S. Yan, J. Luo, A. Huang, L. Yang, S. Lu, C. J. Zhong, A Low-current and Multi-channel Chemiresistor Array Sensor Device, Sensors, 2022, 22, 2781. Read more...


Schemes showing application of flexible strain sensors and nanostructured sensing mechanisms Schemes showing application of flexible strain sensors and nanostructured sensing mechanisms

H.W. Cheng, S. Yan, G. Shang, S. Wang, C.J. Zhongb, Strain Sensors Fabricated by Surface Assembly of Nanoparticles, Biosensors & Bioelectronics, 2021, 186, 113268. Read more...


Scheme showing nanoelectrode arrays and molecularly-tuned gating mechanisms Scheme showing nanoelectrode arrays and molecularly-tuned gating mechanisms

H.W. Cheng, S. Wang, M. D. Porter, C.J. Zhong, Molecularly-Tunable Nanoelectrode Arrays Created by Harnessing Intermolecular Interactions, Chem. Sci., 2021, 12, 6081-6090. Read more...


Photos and Schemes showing fibrous sensor fabrications, sintering mechanisms and sensor applications Photos and Schemes showing fibrous sensor fabrications, sintering mechanisms and sensor applications Photos and Schemes showing fibrous sensor fabrications, sintering mechanisms and sensor applications

S. Yan, S. Shan, J. Wen, J. Li, N. Kang, Z. Wu, J. Lombardi, H. W. Cheng, J. Wang, J. Luo, N. He, D. Mott, L. Wang, Q. Ge, B. S. Hsiao, M. Poliks, C. J. Zhong, Surface-Mediated Interconnections of Nanoparticles in Cellulosic Fibrous Materials Towards 3D Sensors, Adv. Mater., 2020, 32, 2002171. Read more...


Scheme showing nanostructured sensing mechanism in fibrous sensors and examples in breath and sweat sensing applications Scheme showing nanostructured sensing mechanism in fibrous sensors and examples in breath and sweat sensing applications

S. Yan, X. Liu, Z. Skeete, N. He, Z.H. Xie, W. Zhao, J. P. Lombardi, K. Liu, N. Kang, J. Luo, B. S. Hsiao, M. Poliks, I. Gitsov, C. J. Zhong, Decoration of Nanofibrous Paper Chemiresistors with Dendronized Nanoparticles towards Structurally-Tunable Negative-Going Response Characteristics to Human Breathing and Sweating, Adv. Mater. Interfaces, 2017, 4, 1700380-1700391.


Scheme showing self-assembled monolayer interface and molecular-level sensitivity in VOC sensing Scheme showing self-assembled monolayer interface and molecular-level sensitivity in VOC sensing Scheme showing self-assembled monolayer interface and molecular-level sensitivity in VOC sensing

H.W. Cheng, Z.P. Wu, S. Yan, J. Li, S. Shan, L. Wang, M. D. Porter, C.J. Zhong, A Simple Vaporous Probe with Atomic-Scale Sensitivity to Structural Ordering and Orientation of Molecular Assembly, Chem. Sci., 2019, 10, 7104-7110.


Scheme showing calculated SERS signal amplification for DNA-linked nanoparticle assembly Scheme showing calculated SERS signal amplification for DNA-linked nanoparticle assembly

Z. Skeete, H.W. Cheng, J. Li, C. Salazar, W. Sun, Q. M. Ngo, L. Lin, J. Luo, C.J. Zhong, Assessing Interparticle Spatial Characteristics of DNA-Linked Core-Shell Nanoparticles with or without Magnetic Cores in Surface Enhanced Raman Scattering, J. Phys. Chem. C, 2017, 121, 15767-15776.

Z. Skeete, H.W. Cheng, Q. M. Ngo, C. Salazar, W. Sun, J. Luo, C.J. Zhong, "Squeezed" Interparticle Properties for Plasmonic Coupling and SERS Characteristics of Duplex DNA Conjugated/Linked Gold Nanoparticles of Homo/Hetero-Sizes, Nanotechnology, 2016, 27, 325706.


Photo and Scheme showing nanoparticle-enhanced nanofibrous sensors and sweat sensing Photo and Scheme showing nanoparticle-enhanced nanofibrous sensors and sweat sensing

N. Kang, F. Lin, W. Zhao, J. P. Lombardi, M. Almihdhar, K. Liu, S. Yan, J. Kim, J. Luo, B. S. Hsiao, M. Poliks, C. J. Zhong, "Nanoparticle-Nanofibrous Membranes as Scaffolds for Flexible Sweat Sensors", ACS Sensors, 2016, 1, 1060-1069.


PCA plot showing breath recognition of lung cancer

W. Zhao, L. F. Al-Nasser, S. Shan, J. Li, Z. Skeete, N. Kang, J. Luo, S. Lu, C. J. Zhong, R. Harris, C. J. Grausgruber, "Detection of Mixed Volatile Organic Compounds and Lung Cancer Breaths Using Chemiresistor Arrays with Crosslinked Nanoparticle Thin Films", Sensors Actuators B, 2016, 292-299.


Plots and Scheme showing bifunctional nanoparticle enhanced SERS detection of cancer biomarker Plots and Scheme showing bifunctional nanoparticle enhanced SERS detection of cancer biomarker

J. Li, Z. Skeete, S. Shan, S. Yan, K. Kurzatkowska, W. Zhao, Q. M. Ngo, P. Holubovska, J. Luo, M. Hepel, C.J. Zhong, "Surface Enhanced Raman Scattering Detection of Cancer Biomarkers with Bifunctional Nanocomposite Probes", Anal. Chem., 2015, 87, 10698-10702.


Image, Photo, and Scheme showing a nanostructured anisotropic gauge sensor

W. Zhao, J. Luo, S. Shan, J. P. Lombardi, Y. Xu, K. Cartwright, S. Lu, M. Poliks, C.J. Zhong, Nanoparticle-Structured Highly Sensitive and Anisotropic Gauge Sensors, Small, 2015, 35, 4509-4516.


Photo and Scheme showing nanoparticle-printed and pulse-laser sintered flexible sensors

W. Zhao, T. Rovere, D. Weerawarne, G. Osterhoudt, N. Kang, P. Joseph, J. Luo, B. Shim, M. Poliks, C.J. Zhong, Nanoalloy Printed and Pulse-Laser Sintered Flexible Sensor Devices with Enhanced Stability and Materials Compatibility, ACS Nano, 2015, 9, 6168-6177.


Scheme showing interparticle J-aggregation in dye-gold nanoparticle assembly

H.W. Cheng, S. I. Lim, W. Fang, H. Yan, Z. Skeete, Q. M. Ngo, J. Luo, C. J. Zhong, "Assessing Interparticle J-Aggregation of Two Different Cyanine Dyes with Gold Nanoparticles and Their Spectroscopic Characteristics", J. Phys. Chem. C, 2015, 119, 27786-27796.


Photo and Scheme showing nanoparticle-structures interfaces on flexible devices

S. Shan, W. Zhao, J. Luo, J. Yin, J. C. Switzer, P. Joseph, S. Lu, M. Poliks, C. J. Zhong, "Flexibility Characteristics of Polyethylene Terephthalate Chemiresistor Coated with a Nanoparticle Thin Film Assembly", J. Mater. Chem. C, 2014, 2, 1893-1903.


Photo and Scheme SERS detection of DNAs and biomolecules using magnetic and gold nanoparticles) Photo and Scheme SERS detection of DNAs and biomolecules using magnetic and gold nanoparticles) Photo and Scheme SERS detection of DNAs and biomolecules using magnetic and gold nanoparticles) Photo and Scheme SERS detection of DNAs and biomolecules using magnetic and gold nanoparticles)

L.Q. Lin, E. Crew, H. Yan, S. Shan, Z. Skeete, D. Mott, T. Krentsel, J. Yin, N.A. Chernova, J. Luo, M.H. Engelhard, C. Wang, Q.B. Li, C.J. Zhong, "Bifunctional Nanoparticles for SERS Monitoring and Magnetic Intervention of Assembly and Enzyme Cutting of DNAs", J. Mater. Chem. B, 2013, 1, 4320-4330.

E. Crew, H. Yan, L. Lin, J. Yin, Z. Skeete, T. Kotlyar, N. Tchah, J. Lee, M. Bellavia, I. Goodshaw, P. Joseph, J. Luo, S. Gal, C.J. Zhong, "DNA Assembly and Enzymatic Cutting in Solutions: A Gold Nanoparticle Based SERS Detection Strategy", Analyst, 2013, 138, 4941-4949.


Scheme showing a sensor array system design and PCA plot for diabetes related breath recognition

J. Luo, J. Luo, L. Wang, X. Shi, J. Yin, E. Crew, S. Lu, L. M. Lesperance, C.J. Zhong, "Nanoparticle-Structured Thin Film Sensor Arrays for Breath Sensing", Sensors & Actuators B, 2012, 161, 845-854.


Image and Scheme showing microRNA-Gold nanoparticles and cell transfection

E. Crew, M.A. Tessel, S. Rahman, A. Razzak-Jaffar, D. Mott, M. Kamundi, G. Yu, N. Tchah, J. Lee, M. Bellavia, and C. J. Zhong, "MicroRNA Conjugated Gold Nanoparticles and Cell Transfection", Anal. Chem., 2012, 34, 26-29.


Scheme and plot showing nanoparticle-aided interparticle chiral recognition

S. Lim, D. Mott, M. Engelhard, Y. Pan, S. Kamodia, J. Luo, P. N. Njoki, S. Zhou, L. Wang, C.J. Zhong, "Interparticle Chiral Recognition of Enantiomers: A Nanoparticle-Based Regulation Strategy", Anal. Chem., 2009, 81, 689-698.


Photo, Image and Scheme showing nanoparticle-structured sensing interfaces on flexible devices Photo, Image and Scheme showing nanoparticle-structured sensing interfaces on flexible devices

J. Yin, P. Hu, J. Luo, L. Wang, M. F. Cohen, C. J. Zhong, "Molecularly-Mediated Thin Film Assembly of Nanoparticles on Flexible Devices: Electrical Conductivity vs. Device Strains in Different Gas/Vapor Environment", ACS Nano, 2011, 5, 6516-6526.


Photo showing flexible sensor arrays and PCA plots for VOC detection Photo showing flexible sensor arrays and PCA plots for VOC detection

L. Wang, J. Luo, J. Yin, H. Zhang, J. Wu, X. Shi, E. Crew, Z. Xu, Q. Rendeng, S. Lu, M. Poliks, B. Sammakia, C. J. Zhong, "Flexible Chemiresistor Sensors: Thin Film Assemblies of Nanoparticles on Polyethylene Terephthalate Substrate", J. Mater. Chem., 2010, 20, 907-915.


Photo, Image and Scheme showing bacterial inactivation using silver-coated magnetic nanoparticles

L. Wang, J. Luo, S. Shan, E. Crew, J. Yin, Wallek, S. Wong, C.J. Zhong, "Bacterial inactivation using silver-coated magnetic nanoparticles as functional antimicrobial agents", Anal. Chem., 2011, 83, 8688-8695.


Image and Scheme showing interparticle-linked nanoparticles using different linker molecules and examples of SERS responses Image and Scheme showing interparticle-linked nanoparticles using different linker molecules and examples of SERS responses

S. Lim, C.J. Zhong, "Molecularly-Mediated Processing and Assembly of Nanoparticles: Exploring the Interparticle Interactions and Structures", Acc. Chem. Res., 2009, 42, 798-808.


Image and Scheme showing magnetic and gold nanoparticles for separation and detection of DNAs and proteins Image and Scheme showing magnetic and gold nanoparticles for separation and detection of DNAs and proteins Image and Scheme showing magnetic and gold nanoparticles for separation and detection of DNAs and proteins Image and Scheme showing magnetic and gold nanoparticles for separation and detection of DNAs and proteins

S. Lim, C.J. Zhong, "Molecularly-Mediated Processing and Assembly of Nanoparticles: Exploring the Interparticle Interactions and Structures", Acc. Chem. Res., 2009, 42, 798-808.

S. Lim, D. Mott, M. Engelhard, Y. Pan, S. Kamodia, J. Luo, P. N. Njoki, S. Zhou, L. Wang, C.J. Zhong, "Interparticle Chiral Recognition of Enantiomers: A Nanoparticle-Based Regulation Strategy", Anal. Chem., 2009, 81, 689-698.

I-I. S. Lim, U. Chandrachud, L. Wang, S. Gal, C.J. Zhong, "Assembly-Disassembly of DNAs and Gold Nanoparticles: A Strategy of Intervention Based on Oligonucleotides and Restriction Enzymes", Anal. Chem., 2008, 80, 6038-6044.

I-I. S. Lim, P. N. Njok, H.-Y. Park, X. Wang, L. Wang, D. Mott, C. J. Zhong, "Gold and Magnetic Oxide/Gold Core/Shell Nanoparticles as Bio-Functional Nanoprobes", Nanotechnology, 2008, 19, 305102.


Scheme showing sensor arrays from molecularly-mediated thin Film assemblies of nanoparticles for detection of VOCs Scheme showing sensor arrays from molecularly-mediated thin Film assemblies of nanoparticles for detection of VOCs

L. Wang, X. Shi, N. N. Kariuki, M. Schadt, G. R. Wang, Q. Rendeng, J. Choi, J. Luo, S. Lu, C. J. Zhong, "Array of Molecularly-Mediated Thin Film Assemblies of Nanoparticles: Correlation of Vapor Sensing with Interparticle Spatial Properties", J. Am. Chem. Soc., 2007, 129, 2161-2170.